Máy gia nhiệt Digiheat
Giá: Liên hệ
Máy gia nhiệt bể bơi, bể massage Digiheat |
|
Model: Digiheat |
|
Hãng: Waterco - Australia |
|
Xuất xứ: Sản xuất tại Malaysia |
|
Bảo hành: 18 tháng |
Waterco được thành lập tại Australia vào năm 1981, là nhà sản xuất máy bơm hồ bơi, thiết bị cho spa và ngành xử lý nước hàng đầu trên thế giới. Sản phẩm của Waterco hiện có mặt tại hơn 40 quốc gia trên thế giới như Úc, Mỹ, Anh, Pháp, Canada, Trung Quốc, Singapore, Malaysia… Sản phẩm của hãng có độ bền rất cao, bảo hành lâu dài. Thiết bị hồ bơi Waterco được nhập khẩu trực tiếp và phân phối bởi Công ty CP Công nghệ môi trường Minh Phúc.
Từ khóa: Digiheat , heater, máy gia nhiêt bể bơiLượt xem: 1122
Thông tin chi tiết
Tải Cataloge máy gia nhiệt Digiheat
1. Ứng dụng của máy làm nóng nước
Để sử dụng bể bơi vào thời gian nhiệt độ môi trường thấp trong năm, nước bể bơi, bể sục, bể massage cần được gia nhiệt đến nhiệt độ phù hợp cho người sử dụng. Các phương pháp gia nhiệt cho nước bể bơi phổ biến hiện nay là sử dụng nồi hơi, thiết bị gia nhiệt trực tiếp ( Heater), bơm nhiệt ( Heat pump). Trong đó Heat pump ngày càng được sử dụng rộng rãi nhờ những ưu điểm vượt trội của mình, trở thành thiết bị bể bơi thiết yếu cho các bể bơi bốn mùa. Tuy nhiên với các hồ cỡ nhỏ hoặc bể massage cần khởi động nhanh, hoạt động không thường xuyên vào thời điểm nhiệt độ thấp thì Heater là giải pháp với chi phí đầu tư ban đầu thấp.
Waterco là một thương hiệu thiết bị bể bơi, bể massage nổi tiếng của Australia đã sản xuất dòng Heater gia nhiệt trực tiếp phù hợp với môi trường nước bể bơi, hoạt động ổn định, hiệu suất cao.
2. Các mã Digiheat
|
Mã |
Mô tả |
Công suất nhiệt |
|
2810240 |
Digiheat 2,4 kW Inline Heater - Titanium Element |
2,4 kW |
|
2810360 |
Digiheat 3,6 kW Inline Heater - Titanium Element |
3,6 kW |
|
2810480 |
Digiheat 4,8 kW Inline Heater - Titanium Element |
4,8 kW |
|
2810600 |
Digiheat 6,0 kW Inline Heater - Titanium Element |
6,0 kW |
|
2811830 |
Digiheat 18,0 kW Inline Heater - Titanium Element |
18,0 kW |
|
2812430 |
Digiheat 24,0 kW Inline Heater - Titanium Element |
24,0 kW |
3. Nguyên lý hoạt động của máy gia nhiệt bể bơi Waterco
Nước sau khi được lọc bởi hệ thống lọc được đi qua máy Digiheat để gia nhiệt, tại đây nước được gia nhiệt bởi các thanh điện trở gia nhiệt, sau một khoảng thời gian gia nhiệt, nhiệt độ nước của bể bơi, bể sục đạt mức nhiệt độ cài đặt ( thường 30 độ C) thì máy tự động ngắt và khi nhiệt độ xuống thấp hơn mức cài đặt thì máy tự động bật để tiếp tục gia nhiệt.
Digiheat được lắp đặt các thanh trở gia nhiệt phủ Titanium nhằm tránh bị ăn mòn bởi các hóa chất trong bể bơi, bể massage.
Digiheat được thiết kế các cảm biến để đảm máy máy hoạt động chính xác và an toàn như cảm biến lưu lượng, cảm cảm biến áp suất, cảm biến nhiệt độ.
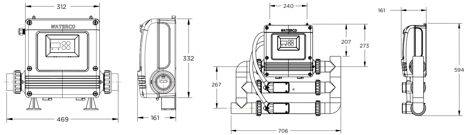
4. Thông số kỹ thuật Digiheat
Bảng thông số kỹ thuật :

Bản vẽ

5. Đặc điểm máy gia nhiệt bể bơi Heater
- Cuộn trao đổi nhiệt Titanium sử dụng cho tất cả các bể bơi: Bể bơi sử dụng ozone, clo, iod ; Bể bơi nước mặn ( sử dụng công nghệ điện phân) ; Bể bơi nước biển ; Bể tắm khoáng.
- Digiheat có hiệu suất gia nhiệt cao , thiết kế nhỏ gọn dễ dàng cho lắp đặt
- Vận hành dễ dàng
- Sử dụng được trong tất cả các mùa trong năm, kể cả khi nhiệt độ thời tiết xuống rất thấp.
6. Những lưu ý khi sử dụng máy làm nóng Digiheat - Waterco
- Digiheat được lập trình để hoạt động với nhiệt độ max là 40oC để tránh gây bỏng cho người sử dụng
- Trước khi sử dụng cần điều chỉnh công tắc áp suất theo hướng dẫn của nhà sản xuất
- Các thiết bị điện bảo vệ phải phù hợp với công suất của loại máy lắp đặt
- Công suất máy cần lựa chọn phù hợp với dung tích bể bơi, bể sục , phù hợp với nhiệt độ của khu vực lắp đặt tránh trường hợp lựa chọn công suất máy không đáp ứng được dung tích bể.
7. Chính sách bảo hành
- Thời gian bảo hành: 18 tháng.
- Điều kiện bảo hành: Công ty chúng tôi bảo hành cho tất cả các sản phẩm đối với các lỗi thuộc về nhà sản xuất.
- Thời gian hỗ trợ và phản hồi: Không quá 24h kể từ khi nhận được thông báo từ khách hàng
8. Phương thức giao hàng
- Miễn phí vận chuyển cho khách hàng tại Hà Nội.
- Đối với khách hàng ngoại tỉnh: Công ty sẽ chuyển hàng tận nơi (Chi phí vận chuyển được thanh toán bởi khách hàng).
9. Đơn vị phân phối
Sản phẩm được Công ty CP công nghệ môi trường Minh phúc nhập khẩu và phân phối chính hãng tại Việt Nam, chúng tôi cung cấp đầy đủ giấy tờ kèm theo CO, CQ, Packing list, vận đơn

